全国2008年7月高等教育自学考试电工与电子技术试
编辑整理: 贵州自考网 发表时间: 2018-05-24 【大 中 小】 点击数:
全国2008年7月高等教育自学考试电工与电子技术试题
课程代码:02187
一、单项选择题(本大题共20小题,每小题2分,共40分)
在每小题列出的四个备选项中只有一个是符合题目要求的,请将其代码填写在题后的括号内.错选、多选或未选均无分.
1.欲使题1图中的
,则R1和R2的关系为( )
A. R1=
R2
B. R2=
R1
C. R1=
R2
D. R2=
R1

题1图
2.题2图的戴维南等效电路为( )
A.
B. 
C.
D. 


题2图
3.题3图中ab端等效阻抗为( )
A.(1+j)Ω
B.(1-j)Ω
C.(1+j2)Ω
D.(1-j2)Ω 
题3图
4.已知正弦电压的频率为50Hz,有效值相量表示为
=2
V,则其时间表示式为( )
A.u(t)=2sin (314t+30°)V
B.u(t)=2sin (50t+30°)V
C.u(t)=2
sin (314t+30°)V
D.u(t)=2
sin (50t+30°)V
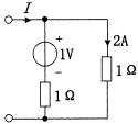
5.题5图中的I为( )
A.0A
B.1A
C.2A
D.3A
题5图
6.元件两端电路u(t)=2sin tV,流过该元件的电流为i(t)=sin (t+
)A, u(t)与i(t)为非关联方向,则该元件的阻抗是( )
A.2
Ω
B.2
Ω
C.2
Ω
D.2
Ω
7.元件接在交流电压两端后,吸收的P=2W,Q=-1var,则该元件可能是( )
A.电阻元件
B.电阻电容并联元件
C.电阻电感串联元件
D.电阻电感并联元件
8.题8图中,
与
关系为( )
A.
=(R+jωC)
B.
=(R-jωC)
C.
=(R-j
)
D.
=(-R+j
)
题8图
9.磁阻的计算公式是( )
A.
[1]
本文标签:贵州自考 历年真题 全国2008年7月高等教育自学考试电工与电子技术试
转载请注明:文章转载自(http://www.crzkw.cn/)
⊙小编提示:添加【贵州自考网】招生老师微信,即可了解2025年贵州自考政策资讯、自考报名入口、准考证打印入口、成绩查询时间以及领取历年真题资料、个人专属备考方案等相关信息!

(添加“贵州自考网”招生老师微信,在线咨询报名报考等相关问题)

贵州自考网声明:
1、由于各方面情况的调整与变化,本网提供的考试信息仅供参考,考试信息以省考试院及院校官方发布的信息为准。
2、本网信息来源为其他媒体的稿件转载,免费转载出于非商业性学习目的,版权归原作者所有,如有内容与版权问题等请与本站联系。
贵州自考便捷服务
- 微信交流群
- 微信公众号
微信扫一扫加入考生微信群
①学习交流、②考试提醒、③自考解答
④自考资料、⑤新闻通知、⑥备考指导

贵州自考网微信公众号
随时获取贵州省自考政策、通知、公告
以及各类学习微信公众号
- 热点文章
- 常见问题
